Planung & Engineering

 

Gut vorbedacht = Schon halb gemacht!

Die technische Planung von Objekten ist ein essentieller Teil welche über Erfolg und Misserfolg des jeweiligen Vorhabens bestimmten.

Viel zu oft passiert der Fehler, sich nach der Bauplanung über die jeweilige Haustechnik oder Gebäudetechnik Gedanken zu machen. Wichtig ist es die Professionisten vorab zu kontaktieren und gemeinsam den jeweiligen Anforderungen entsprechend ein Planungskonzept zu erstellen.

In den meisten Fällen bringt eine gut durchgedachte Planung nicht nur den gewünschten Effekt sondern schont letztendlich auch noch die Geldbörse!

Die Firma EZP smart-systems bietet allen Bauherren sowie Gewerbe- und Industriekunden nicht nur die Möglichkeit Planungen durchzuführen sondern begleitet auch auf Wunsch das jeweilige Bauvorhaben bzw. Projekt als eigenständiger Berater und Konsulent.

Das Planungsspektrum erstreckt sich über folgende Schwerpunkte:

  • Aufstellung und Vorschlag der notwendigen Komponenten abgestimmt auf den Anwendungsfall des Kunden
  • Erstellen von Montage und Installationsplänen
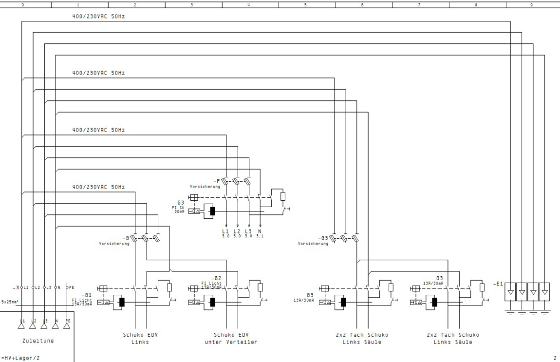
  • Dokumentation der Anlagenteile anhand von Stromlaufplänen und E-Dokumentation
  • Anlagenbuch und wiederkehrende Prüfungen
  • Software Engineering und Programmierung von KNX
  • Aufbau von Visualisierungen und Alarmierungssystemen
  • Einbindung von Überwachungsanlagen und Videosystemen
  • Medientechnik und Netzwerkspeicherung

Montage- und Installationsplan einer Photovoltaikanlage

Montage- und Installationsplan einer Photovoltaikanlage

Ausführungsplan - Wohnobjekt

Ausführungsplan - Wohnobjekt


E-Dokumentation - Stromlaufplan

E-Dokumentation - Stromlaufplan